嵌入式爱好者

查看: 19364|回复: 3

[硬件咨询] OK335x j-link仿真器无法仿真

[复制链接]

2

主题

2

帖子

6

积分

扫一扫,手机访问本帖
发表于 2014-3-8 13:33:29 | 显示全部楼层 |阅读模式
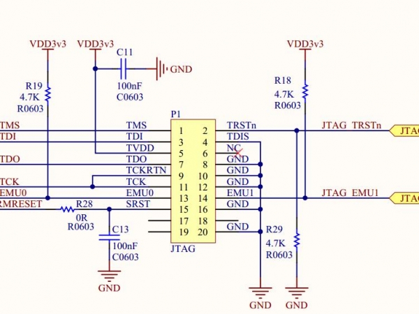
我查了下下资料,发现这块板子的Jtag接口跟标准的不一样,请教各位大神?
 VTref   目标板参考电压,接电源
2 VCC   接电源
3 nTRST   测试系统复位信号
4、6、8、10、12、14、16、18、20  GND 接地
5 TDI   测试数据串行输入
7 TMS   测试模式选择
9 TCK   测试时钟
11 RTCK  测试时钟返回信号
13 TDO   测试数据串行输出
15 nRESET   目标系统复位信号
17 、 19 NC  未连接
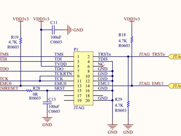
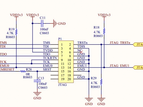
但原理图是这样的
      第二个口就不对,无法仿真
未命名.JPG
回复

使用道具 举报

0

主题

0

帖子

21

积分

i.MX6UL通行证

发表于 2014-4-24 09:13:38 | 显示全部楼层
飞凌的这个是TI-JTAG接口,需要转接后才能用JLINK,打算做一块转接板转接一下
点评回复 支持 反对

使用道具 举报

1

主题

33

帖子

53

积分

i.MX6UL通行证i.MX6Q通行证

发表于 2014-4-25 14:24:57 | 显示全部楼层
飞凌官网有OK335XD专用仿真器,你可以去看下
点评回复 支持 反对

使用道具 举报

1

主题

33

帖子

53

积分

i.MX6UL通行证i.MX6Q通行证

发表于 2014-4-25 14:27:50 | 显示全部楼层
我发不了链接,你按下面的方法去官网找一下吧

主页>>产品专区>>配件系列>>配套模块>>JTAG仿真器

点评回复 支持 反对

使用道具 举报

您需要登录后才可以回帖 登录 | 立即注册

本版积分规则

QQ|小黑屋| 飞凌嵌入式 ( 冀ICP备12004394号-1 )

GMT+8, 2025-12-17 09:20

Powered by Discuz! X3.4

© 2001-2013 Comsenz Inc.

快速回复 返回顶部 返回列表