嵌入式爱好者

查看: 15398|回复: 6

OK210核心板原理图DDR部分咨询

[复制链接]

1

主题

2

帖子

5

积分

扫一扫,手机访问本帖
发表于 2018-1-3 09:50:56 | 显示全部楼层 |阅读模式
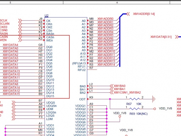
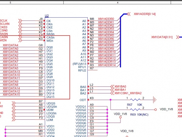
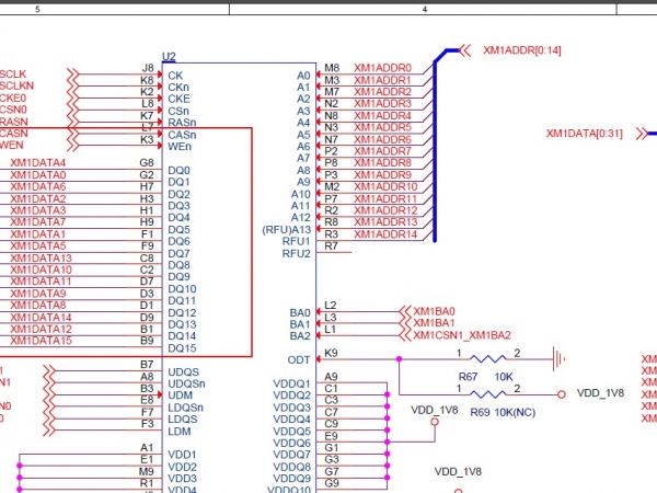
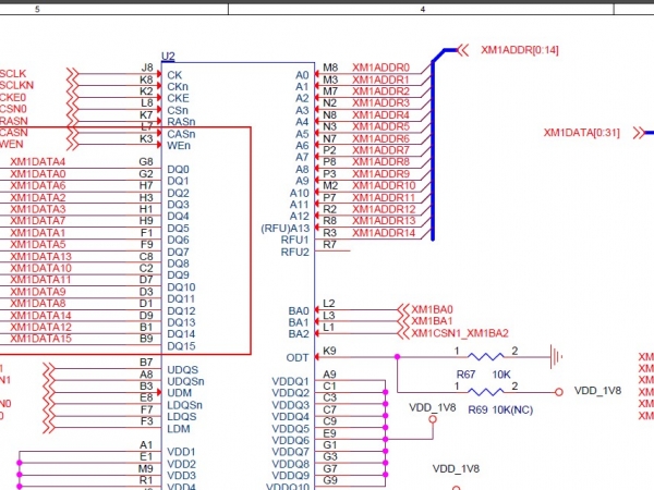
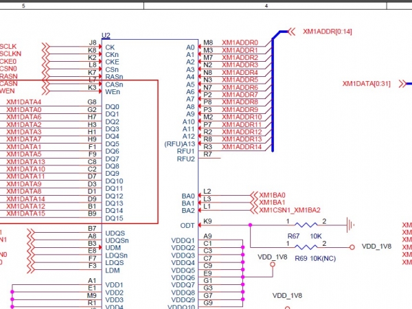
阿里旺旺图片20180103094751.jpg
如图红框框选所示,核心板的原理图DDR部分话框处数据线的排序并不是按顺序的,确认一下,这是否是错误,还是原来就是这样设计的?
麻烦技术支持解答一下!
回复

使用道具 举报

0

主题

972

帖子

900

积分

i.MX6Q通行证i.MX6UL通行证TCU通行证AM335x通行证

发表于 2018-1-3 10:35:16 | 显示全部楼层
本来就是设计成这样的

点评

这是为了布线方便,所以调整线序的。DDR3的数据按八位一组,在不同的时间读出或写入,所以只能是在八位内进行调换,而不能在八位以外进行调查换。之所以可以这么做,是因为CPU在写入数据时写到哪一位,那么在读取时  详情 回复 发表于 2018-3-5 14:22
请问为什么要设计成这样?这样不会导致DDR的数据读写错误吗?能否简单解释一下呢?  详情 回复 发表于 2018-1-3 11:24
技术支持电话:0312-3119192
技术支持邮箱:Hardware@forlinx.com
点评回复 支持 反对

使用道具 举报

1

主题

2

帖子

5

积分

 楼主| 发表于 2018-1-3 11:24:43 | 显示全部楼层
飞凌-peacelove 发表于 2018-1-3 10:35
本来就是设计成这样的

请问为什么要设计成这样?这样不会导致DDR的数据读写错误吗?能否简单解释一下呢?
点评回复 支持 反对

使用道具 举报

0

主题

12

帖子

38

积分

发表于 2018-2-6 16:57:32 | 显示全部楼层
这是为了布线方便,所以调整线序的。DDR3的数据按八位一组,在不同的时间读出或写入,所以只能是在八位内进行调换,而不能在八位以外进行调查换。之所以可以这么做,是因为CPU在写入数据时写到哪一位,那么在读取时读取的就是这一位。简单说负负得正,错错得对,明白了吧,调了线序,写进去数据会错位,但读出来也错一次。所以就没有问题了。

点评

谢谢以上各位解答!  详情 回复 发表于 2018-5-2 11:42
还可以这样搞。第一次遇到。。。大神多指教  详情 回复 发表于 2018-3-5 14:20
点评回复 支持 反对

使用道具 举报

1

主题

4

帖子

9

积分

发表于 2018-3-5 14:20:47 | 显示全部楼层
Forever 发表于 2018-2-6 16:57
这是为了布线方便,所以调整线序的。DDR3的数据按八位一组,在不同的时间读出或写入,所以只能是在八位内进 ...

还可以这样搞。第一次遇到。。。大神多指教
点评回复 支持 反对

使用道具 举报

1

主题

4

帖子

9

积分

发表于 2018-3-5 14:22:38 | 显示全部楼层
飞凌-peacelove 发表于 2018-1-3 10:35
本来就是设计成这样的

这是为了布线方便,所以调整线序的。DDR3的数据按八位一组,在不同的时间读出或写入,所以只能是在八位内进行调换,而不能在八位以外进行调查换。之所以可以这么做,是因为CPU在写入数据时写到哪一位,那么在读取时读取的就是这一位。简单说负负得正,错错得对,明白了吧,调了线序,写进去数据会错位,但读出来也错一次。所以就没有问题了。


版主这个解释正确吗???
点评回复 支持 反对

使用道具 举报

3

主题

4

帖子

25

积分

发表于 2018-5-2 11:42:53 | 显示全部楼层
Forever 发表于 2018-2-6 16:57
这是为了布线方便,所以调整线序的。DDR3的数据按八位一组,在不同的时间读出或写入,所以只能是在八位内进 ...

谢谢以上各位解答!
点评回复 支持 反对

使用道具 举报

您需要登录后才可以回帖 登录 | 立即注册

本版积分规则

QQ|小黑屋| 飞凌嵌入式 ( 冀ICP备12004394号-1 )

GMT+8, 2025-11-12 14:18

Powered by Discuz! X3.4

© 2001-2013 Comsenz Inc.

快速回复 返回顶部 返回列表