嵌入式爱好者

查看: 76188|回复: 4

[Linux] 网口通信模式修改

[复制链接]

15

主题

45

帖子

149

积分

i.MX6Q通行证

扫一扫,手机访问本帖
发表于 2021-7-30 11:18:24 | 显示全部楼层 |阅读模式
网口.png
DLP网口.png
如上图所示第一个图是飞凌网口内部,第二个图是我使用的网口内部,目前我们外部硬件网口使用四路差分信号通信,而你们飞凌的外部硬件网口是2路差分信号通信(其中有两路是短接了)。
请问我如何修改网口通信模式,改为四路差分信号通信模式?

网口1.png
回复

使用道具 举报

0

主题

143

帖子

541

积分

A40i/T3/T507/T527通行证i.MX6Q通行证i.MX6UL通行证i.MX8MM通行证i.MX8MP通行证RK3568通行证RK3588通行证RK3399通行证LS1028A通行证G2L通行证LS1012A通行证LS1043A\46A通行证TCU通行证FDU产品通行证FCU1401通行证FCU1301通行证FCU11xx通行证FCU1201通行证FCU2201通行证FCU1106通行证FCU2301/FCU2302通行证FCU2401通行证5G转接卡通行证FCU3001通行证AM5718通行证Hi3519A通信证AM335x通行证i.MX RT通行证XX18通行证AM62x资料下载FDU070K02\FDU101K02通行证i.MX9352\i.MX9131通行证2K0300\2K0500通行证JH7110通行证T113i通行证D9360通行证FCU2601通行证FCU1303通行证RK3576通行证RK3562通行证MA35通行证RK3506通行证T536通行证i.MX8MPx-SMARC通行证FCU3011通行证FCU3501通行证i.MX9596通行证

发表于 2021-7-31 10:44:07 | 显示全部楼层
我们默认的千兆网口就是四路差分通信。
点评回复 支持 反对

使用道具 举报

15

主题

45

帖子

149

积分

i.MX6Q通行证

 楼主| 发表于 2021-7-31 15:07:13 | 显示全部楼层
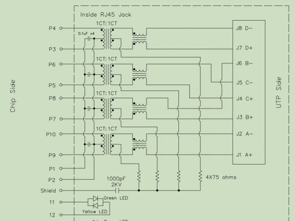
下图是OKMX6X-C的网口外设内部原理图,有两路差分信号是短接的,只有两路在使用啊?还有软件上的网口通信模式是在那一部分设置的?
网口.png
点评回复 支持 反对

使用道具 举报

0

主题

143

帖子

541

积分

A40i/T3/T507/T527通行证i.MX6Q通行证i.MX6UL通行证i.MX8MM通行证i.MX8MP通行证RK3568通行证RK3588通行证RK3399通行证LS1028A通行证G2L通行证LS1012A通行证LS1043A\46A通行证TCU通行证FDU产品通行证FCU1401通行证FCU1301通行证FCU11xx通行证FCU1201通行证FCU2201通行证FCU1106通行证FCU2301/FCU2302通行证FCU2401通行证5G转接卡通行证FCU3001通行证AM5718通行证Hi3519A通信证AM335x通行证i.MX RT通行证XX18通行证AM62x资料下载FDU070K02\FDU101K02通行证i.MX9352\i.MX9131通行证2K0300\2K0500通行证JH7110通行证T113i通行证D9360通行证FCU2601通行证FCU1303通行证RK3576通行证RK3562通行证MA35通行证RK3506通行证T536通行证i.MX8MPx-SMARC通行证FCU3011通行证FCU3501通行证i.MX9596通行证

发表于 2021-8-3 09:36:48 | 显示全部楼层

您发的那张图是百兆网口的图,下面这个才是6q上的千兆网口的图。
Image_20210803091330.png
软件部分修改主要是参考phy芯片手册更改phy的配置。

点评

问题已经解决。谢谢回复  详情 回复 发表于 2021-8-3 19:23
点评回复 支持 反对

使用道具 举报

15

主题

45

帖子

149

积分

i.MX6Q通行证

 楼主| 发表于 2021-8-3 19:23:30 | 显示全部楼层
wjy 发表于 2021-8-3 09:36
您发的那张图是百兆网口的图,下面这个才是6q上的千兆网口的图。

软件部分修改主要是参考phy芯片手册 ...

问题已经解决。谢谢回复
点评回复 支持 反对

使用道具 举报

您需要登录后才可以回帖 登录 | 立即注册

本版积分规则

QQ|小黑屋| 飞凌嵌入式 ( 冀ICP备12004394号-1 )

GMT+8, 2025-10-10 01:06

Powered by Discuz! X3.4

© 2001-2013 Comsenz Inc.

快速回复 返回顶部 返回列表