嵌入式爱好者

查看: 9323|回复: 0

[Linux] T507启动问题

[复制链接]

19

主题

35

帖子

118

积分

A40i/T3/T507/T527通行证

扫一扫,手机访问本帖
发表于 2021-11-10 17:28:45 | 显示全部楼层 |阅读模式
本帖最后由 generalj 于 2021-11-10 17:34 编辑

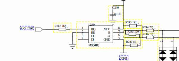
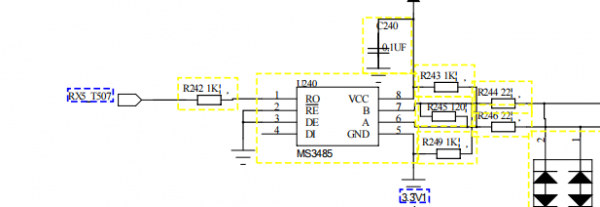
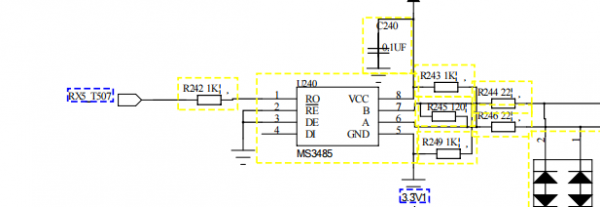
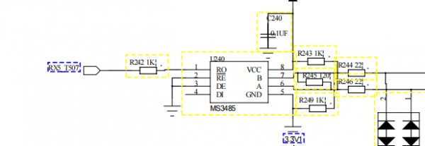
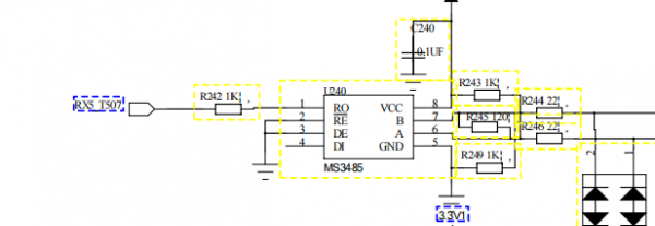
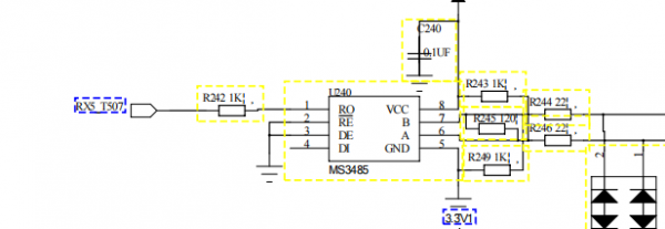
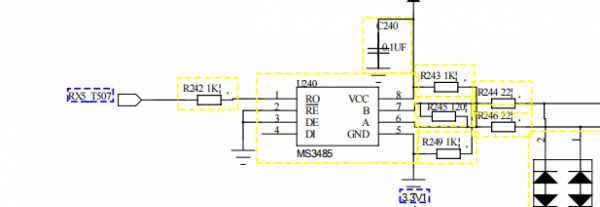
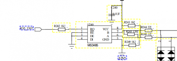
1.T507核心板,uart5外接一个485芯片的情况下,核心板不能启动,如图R242不焊就可以正常启动.

2.其他接口如uart1,spi也有类似问题,但这两个接口我是连单片机的,在单片机不做口线定义时,
   不影响核心板使用,我只需要在单片机程序中延时再做口线定义就可以保证核心板启动.

但是1的情况,完全是外围电路,这个也是很常规的用法,为什么会让核心板不能启动?


       1.png    2.png

回复

使用道具 举报

您需要登录后才可以回帖 登录 | 立即注册

本版积分规则

QQ|小黑屋| 飞凌嵌入式 ( 冀ICP备12004394号-1 )

GMT+8, 2025-12-26 15:16

Powered by Discuz! X3.4

© 2001-2013 Comsenz Inc.

快速回复 返回顶部 返回列表