嵌入式爱好者

查看: 3787|回复: 0

[硬件咨询] OK10xx_S V1.1 V2.0 的 RJ45 接口问题

[复制链接]

1

主题

1

帖子

16

积分

FCU11xx通行证i.MX RT通行证

扫一扫,手机访问本帖
发表于 2023-9-25 12:06:45 | 显示全部楼层 |阅读模式
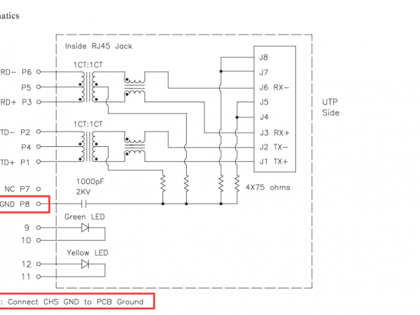
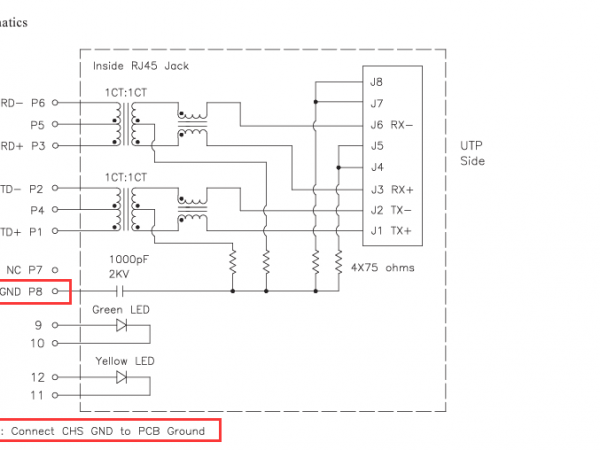
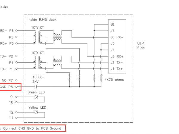
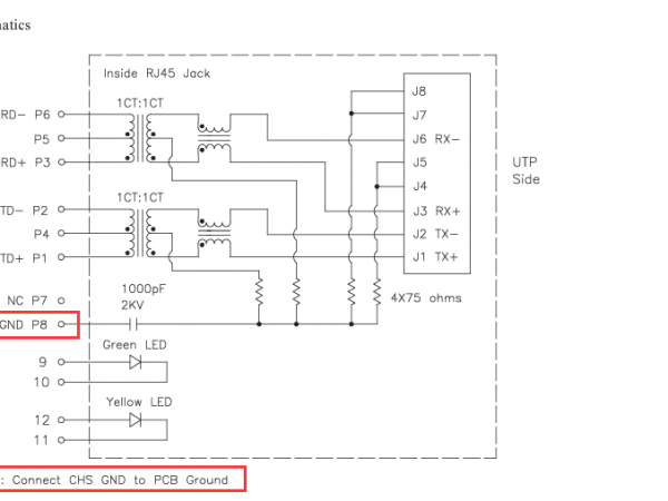
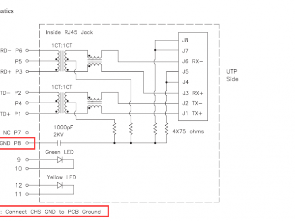
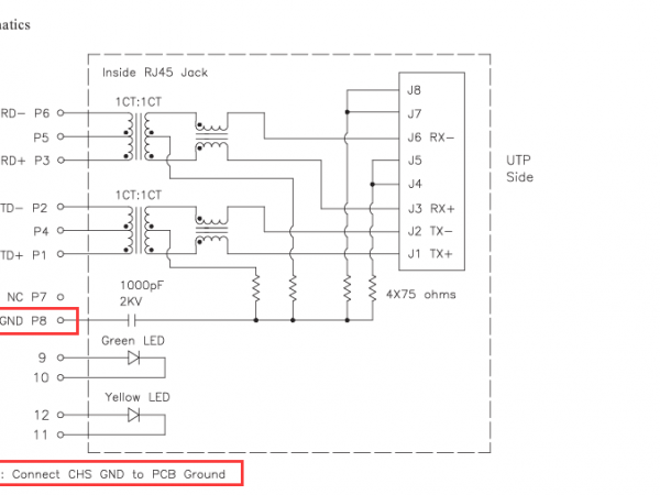
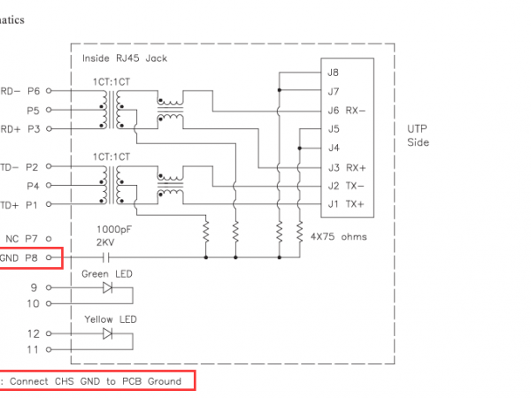
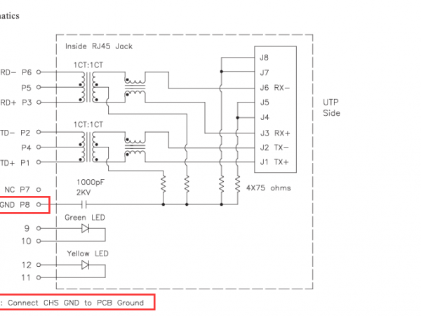
HR911105A RJ45 接口 P8 要接地, 但是图纸是悬空的.

OS10xx_S

OS10xx_S

HR911105A

HR911105A
回复

使用道具 举报

您需要登录后才可以回帖 登录 | 立即注册

本版积分规则

QQ|小黑屋| 飞凌嵌入式 ( 冀ICP备12004394号-1 )

GMT+8, 2025-11-21 07:25

Powered by Discuz! X3.4

© 2001-2013 Comsenz Inc.

快速回复 返回顶部 返回列表